Atari 2600 clone (προβλημα εικονας)

  • sly*m
  • Το Άβαταρ του/της sly*m
  • Elite Member
  • Elite Member
Περισσότερα
13/09/2018 15:38 #42863 από sly*m
Απαντήθηκε από sly*m στο θέμα Atari 2600 clone (προβλημα εικονας)

ScorpioGr έγραψε: Γειά σου Μάνο!!!!
Μήπως μπορείς να μας δώσεις ένα σχέδιο για το κυκλωματάκι και απο παίρνουμε εισόδους???
Βρήκα ένα τέτοιο και θέλω να του κάνω το Mod...!!!!
Ευχαριστώ!!!


Γειά σου Scorpio! Πρέπει κάπου να έχω το σχέδιο και μάλλον και το αρχείο που τρέχω στον εξομοιωτή για τα κυκλώματα. Θα το δω απόψε το βράδυ.

6591 τσιπ έχει και ο κλώνος σου;
Οι ακόλουθοι χρήστες είπαν "Σε Ευχαριστώ": ScorpioGr

Παρακαλούμε Σύνδεση ή Δημιουργία λογαριασμού για να συμμετάσχετε στη συζήτηση.

  • surfer77
  • Retro Starter
  • Retro Starter
Περισσότερα
13/09/2018 17:06 #42864 από surfer77
Απαντήθηκε από surfer77 στο θέμα Atari 2600 clone (προβλημα εικονας)
Καλησπερα σας
Πληροφοριες παρακατω
www.scribd.com/document/388528298/Atari-...d-Installation-Guide

Δειτε επισης τα επισυναπτομενα composite mod και cartridge
Συνημμένα:
Οι ακόλουθοι χρήστες είπαν "Σε Ευχαριστώ": Fotis_KFOR, ScorpioGr

Παρακαλούμε Σύνδεση ή Δημιουργία λογαριασμού για να συμμετάσχετε στη συζήτηση.

  • ScorpioGr
  • Το Άβαταρ του/της ScorpioGr
  • Premium Member
  • Premium Member
Περισσότερα
14/09/2018 11:23 #42868 από ScorpioGr
Απαντήθηκε από ScorpioGr στο θέμα Atari 2600 clone (προβλημα εικονας)

sly*m έγραψε:

ScorpioGr έγραψε: Γειά σου Μάνο!!!!
Μήπως μπορείς να μας δώσεις ένα σχέδιο για το κυκλωματάκι και απο παίρνουμε εισόδους???
Βρήκα ένα τέτοιο και θέλω να του κάνω το Mod...!!!!
Ευχαριστώ!!!


Γεια σου Scorpio! Πρέπει κάπου να έχω το σχέδιο και μάλλον και το αρχείο που τρέχω στον εξομοιωτή για τα κυκλώματα. Θα το δω απόψε το βράδυ.

6591 τσιπ έχει και ο κλώνος σου;


Υπέροχα θα περιμένω!!!
Μάνο σε ευχαριστώ πολύ!!!

ΥΓ. Δες αν έχεις και av mod για ένα sonic pong...!!!!!




surfer77 έγραψε: Καλησπερα σας
Πληροφοριες παρακατω
www.scribd.com/document/388528298/Atari-...d-Installation-Guide

Δειτε επισης τα επισυναπτομενα composite mod και cartridge


Θοδωρή σε ευχαριστούμε πολύ χρήσιμο το αρχείο που έχεις επισυνάψει αλλά αφορά οδηγίες εγκατάστασης συγκεκριμένου kit που πουλιέται και δουλεύει σε real Atari (δεν κάνει για clone).

Να είσαστε καλά παιδιά!!!
Δημήτρης

Συνημμένο αρχείο:

Ένας κομπιούτερ με νίκησε κάποτε στο σκάκι, αλλά δεν μπόρεσε να τα βγάλει πέρα μαζί μου στο kick boxing....

Παρακαλούμε Σύνδεση ή Δημιουργία λογαριασμού για να συμμετάσχετε στη συζήτηση.

  • sly*m
  • Το Άβαταρ του/της sly*m
  • Elite Member
  • Elite Member
Περισσότερα
18/09/2018 00:36 - 18/09/2018 11:04 #42901 από sly*m
Απαντήθηκε από sly*m στο θέμα Atari 2600 clone (προβλημα εικονας)

ScorpioGr έγραψε: Γειά σου Μάνο!!!!
Μήπως μπορείς να μας δώσεις ένα σχέδιο για το κυκλωματάκι και απο παίρνουμε εισόδους???
Βρήκα ένα τέτοιο και θέλω να του κάνω το Mod...!!!!
Ευχαριστώ!!!


Δημήτρη γειά σου.

Το 6599 είναι ίδιο με το 6591.

Για να πάρεις ήχο είναι απλό, Από το pin 20 του τσιπ βρίσκεις την αντίσταση που πάει στον modulator, την ξεκολάς και κολώντας μια αντίσταση 15kΩ (με τον ένα ακροδέκτη στο σημείο που πάει στο pin 20) από τον άλλο ακροδέκτη της αντίστασης παίρνεις ήχο για το audio in της tv.

Το video του τσιπ είναι στο pin 29. Ακολουθείς τον διάδρομο και ξεκολάς ότι το συνδέει στον modulator. Πρέπει να είναι πάλι με μια αντίσταση όπως στον ήχο. Να μείνει ο διάδρομος μόνος του χωρίς κάτι να συνδέεται κάπου προς τον modulator οκ; Πρόσεχε, κοντά στο τσιπ το 29 (luma) συνδέεται με μια αντίσταση και ένα πυκνωτάκι 10pico στο pin 27, αυτό δεν το πειράζεις!

Από τον διάδρομο παίρνεις το σήμα και το συνδέεις στο παρακάτω κύκλωμα, το τρανζίστορ είναι το 2Ν3904.



Η R2 μπορεί να πάρει τιμές από 22-75Ω. Βάλε 75Ω για αρχή. Θα πρέπει να παίζει με ωραία χρώματα σε flat tv. Αν σου κάνει λίγο τρεμόπαιγμα σε flat βάλε μικρότερη έως 22Ω. Σε crt παίζει όπως και να είναι (αυτές δεν μασάνε! :P )

Με τον ίδιο τρόπο θα κάνεις και το mod στο sonic pong, βρίσκοντας τις αντιστάσεις video και ήχου που συνδέεται στον modulator.

Καλή επιτυχία!

Edit:
Για να κάνεις την επέμβαση, είναι καλή ιδέα να προστατέψεις την πλακέτα από τον στατικό ηλεκτρισμό στο σώμα. Μπορεί να κάψεις κάποιο cmos, ακόμα και το 65ΧΧ (π.χ. την έξοδο του video). Αν μπορείς γείωσε κάπως το σώμα σου σε ένα καλοριφέρ ή στο μεταλλικό κουτί ενός tower όσο θα δουλεύεις την πλακέτα. Ιδανικό θα ήταν ένα αντιστατικό βραχιόλι που κάνει αυτή την δουλειά.

Συνημμένα:
Οι ακόλουθοι χρήστες είπαν "Σε Ευχαριστώ": ScorpioGr

Παρακαλούμε Σύνδεση ή Δημιουργία λογαριασμού για να συμμετάσχετε στη συζήτηση.

  • ScorpioGr
  • Το Άβαταρ του/της ScorpioGr
  • Premium Member
  • Premium Member
Περισσότερα
18/09/2018 11:29 #42902 από ScorpioGr
Απαντήθηκε από ScorpioGr στο θέμα Atari 2600 clone (προβλημα εικονας)
Μάνο σε ευχαριστώ πολύ είσαι υπέροχος!!!!!!
πάω να το φτιάξω...!!!!

Συνημμένο αρχείο:

Ένας κομπιούτερ με νίκησε κάποτε στο σκάκι, αλλά δεν μπόρεσε να τα βγάλει πέρα μαζί μου στο kick boxing....
Οι ακόλουθοι χρήστες είπαν "Σε Ευχαριστώ": sly*m

Παρακαλούμε Σύνδεση ή Δημιουργία λογαριασμού για να συμμετάσχετε στη συζήτηση.

  • sly*m
  • Το Άβαταρ του/της sly*m
  • Elite Member
  • Elite Member
Περισσότερα
18/09/2018 20:08 - 18/09/2018 20:09 #42906 από sly*m
Απαντήθηκε από sly*m στο θέμα Atari 2600 clone (προβλημα εικονας)
Δημήτρη γράψε όταν το κάνεις ή αν έχεις κάποια δυσκολία.

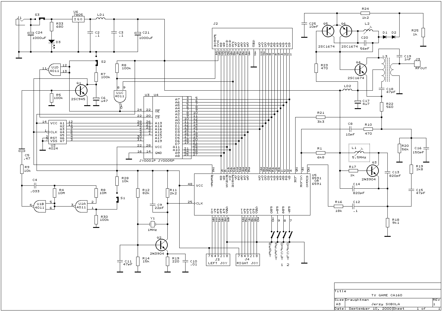
Εδώ είναι ένα σχηματικό από κλώνο, μπορεί να είναι σαν τον δικό σου.



Εδώ στο σχηματικό για audio θα έβγαζες την R16 και θα έβαζες μια 15kΩ από το pin 20 στο audio in της tv

και την R22 για να συνδέσεις από pin 29 στο ενισχυτάκι.
Συνημμένα:
Οι ακόλουθοι χρήστες είπαν "Σε Ευχαριστώ": ScorpioGr

Παρακαλούμε Σύνδεση ή Δημιουργία λογαριασμού για να συμμετάσχετε στη συζήτηση.

  • ScorpioGr
  • Το Άβαταρ του/της ScorpioGr
  • Premium Member
  • Premium Member
Περισσότερα
19/09/2018 04:39 - 19/09/2018 08:29 #42909 από ScorpioGr
Απαντήθηκε από ScorpioGr στο θέμα Atari 2600 clone (προβλημα εικονας)
Φίλε Μάνο σε ΥΠΕΡ ευχαριστώ!!!!!
Από το σχέδιο κατανόησα το κύκλωμα και είναι ένα ενισχυτάκι...
Δεν είχα κάποιο 3904 (αν και ήμουν σίγουρος ότι έχω αρκετά από αυτά....) και έβαλα ένα c1815
οπότε έτοιμος ο ενισχυτής.... πολύ βασικό και με βοήθησε γιατί στην αρχή σύνδεσα το ενισχυτάκι απευθείας στο pin 29 και είχα διάφορα προβλήματα χρώματος... οπότε ξανά κοίταξα το σχέδιό σου και έβαλα μια αντίσταση 1.5κ και προβλήματα ΤΕΛΟΣ!!!!
Αν και ο ήχος δεν είχε προβλήματα είπα να του βάλω ένα 10μf....
Επιπλέον έβαλα έναν 10μf μετά την "σωτήρια" αντίσταση σου στην είσοδο του κυκλώματος και ένα 220μf έξοδο....

Όλα τέλεια!!!!!!
Σε ΥΠΕΡ ευχαριστώ!!!!

Και μερικές φωτό να δούμε τι κάναμε!!!!!!!!




























Συνημμένο αρχείο:

Ένας κομπιούτερ με νίκησε κάποτε στο σκάκι, αλλά δεν μπόρεσε να τα βγάλει πέρα μαζί μου στο kick boxing....
Οι ακόλουθοι χρήστες είπαν "Σε Ευχαριστώ": Fotis_KFOR, sly*m

Παρακαλούμε Σύνδεση ή Δημιουργία λογαριασμού για να συμμετάσχετε στη συζήτηση.

  • sly*m
  • Το Άβαταρ του/της sly*m
  • Elite Member
  • Elite Member
Περισσότερα
19/09/2018 10:45 - 19/09/2018 11:09 #42910 από sly*m
Απαντήθηκε από sly*m στο θέμα Atari 2600 clone (προβλημα εικονας)
Δημήτρη ευχαριστώ για τα καλά σου λόγια και χαίρομαι πολύ που δουλεύει καλά!. Το 1815 είναι μιά χαρά.


ScorpioGr έγραψε: Επιπλέον έβαλα έναν 10μf μετά την "σωτήρια" αντίσταση σου στην είσοδο του κυκλώματος και ένα 220μf έξοδο....


ΟΧΙ!!! Κίνδυνος!!! Με το μηχάνημα χωρίς ρεύμα, βγάλε το πλακετάκι και ΒΓΑΛΕ ΤΟΥΣ ΠΥΚΝΩΤΕΣ ΑΠΟ ΤΟ ΚΥΚΛΩΜΑ!!!!

Υπάρχει μεγάλος κίνδυνος να κάψεις το luma pin!!! Το έχω πάθει και έχω ένα 6591 που δεν βγάζει video τώρα...:dry: :angry:

Στον κλώνο του Νίκου nick_rx8, βλέπεις ότι έχω έναν πορτοκαλί ΜΚΤ 1uf 63Volts(!!!!) από τo luma στο τρανζίστορ.
Τον έστειλα στον Νίκο και πειραματιζόμουνα με το δικό μου με το ενισχυτάκι σε breadboard.
Λόγω την βάσης του τρανζίστορ και του σήματος από το luma που συμπεριφέρονται σαν δίοδοι, ο πυκνωτής φορτιζόταν άνετα πάνω από τα 5V, σίγουρα 5.7V κατά την λειτουργία χωρίς να ξεφορτίζεται ποτέ ούτε σβηστό!
Kάποια στιγμή έβγαλα το τρανζίστορ από το κύκλωμα (σβηστός ο κλώνος) και εκφορτίστηκε ο πυκνωτής μέσα από το luma και το έκαψε!!!
Φυσικά για τον Νίκο το ζήτησα πίσω για να του βάλω προστασία πριν γίνει κανένα κακό και τελικά τον κατάργησα τελείως όπως στο σχέδιο.

Και οι τρείς πυκνωτές δεν χρειάζονται καθόλου. Αν θες να τους κρατήσεις πρέπει να φτιάξεις την γνωστή προστασία για τα cmos, βάζοντας διόδους 1Ν4148 από την γη->luma->+5V και γη->ήχος pin 20->+5V.
Σημείο Α στην φωτο:

Δεν χρειάζεται κανένας πυκνωτής γιατί η τηλεόραση έχει ήδη πυκνωτές στις είσόδους της.

Επίσης λόγω της ευαισθησίας των cmos chips και έχοντας κάψει αρκετά μέχρι να βάλω μυαλό (εννοώ αρκετά cmos σε δικές μου κατασκευές όχι atari κλώνους! :lol2:) σου έγραψα να βάλεις αντιστατικό βραχιολάκι ΠΑΝΤΑ όταν πιάνεις τέτοιες πλακέτες.

Να το χαρείς και καλόπαιχτο!!! :joystick: :joystick: :joystick:
Οι ακόλουθοι χρήστες είπαν "Σε Ευχαριστώ": ScorpioGr

Παρακαλούμε Σύνδεση ή Δημιουργία λογαριασμού για να συμμετάσχετε στη συζήτηση.

  • ScorpioGr
  • Το Άβαταρ του/της ScorpioGr
  • Premium Member
  • Premium Member
Περισσότερα
19/09/2018 13:41 #42911 από ScorpioGr
Απαντήθηκε από ScorpioGr στο θέμα Atari 2600 clone (προβλημα εικονας)
Οκ θα το κάνω έτσι... για να το λές ξέρεις.... ;)

Συνημμένο αρχείο:

Ένας κομπιούτερ με νίκησε κάποτε στο σκάκι, αλλά δεν μπόρεσε να τα βγάλει πέρα μαζί μου στο kick boxing....
Οι ακόλουθοι χρήστες είπαν "Σε Ευχαριστώ": sly*m

Παρακαλούμε Σύνδεση ή Δημιουργία λογαριασμού για να συμμετάσχετε στη συζήτηση.

  • sly*m
  • Το Άβαταρ του/της sly*m
  • Elite Member
  • Elite Member
Περισσότερα
19/09/2018 22:37 #42914 από sly*m
Απαντήθηκε από sly*m στο θέμα Atari 2600 clone (προβλημα εικονας)
Ήταν πολύ μεγάλη η έκπληξη μου όταν το έπαθα... Το τσιπ στον παλμογράφο φαινόταν να δουλεύει μια χαρά, clock, αλλαγές διευθύνσεων, ήχος, όλα τέλεια εκτός από το luma... :pinch:
Τελικά η μόνη λογική εξήγηση που μπόρεσα να δώσω ήταν ότι είχα υλοποιήσει ένα πολλαπλασιαστή τάσης με συνδυασμό διόδων-πυκνωτή πάνω σε ένα παλμικό (άρα εναλλασσόμενο) σήμα. Τα cmos νομίζω αντέχουν μέχρι 5.3V, παραπάνω αχρηστεύονται οι πολύ γρήγορες δίοδοι στις πύλες τους... Είναι γνωστή τεχνική, θα την ξέρεις: en.wikipedia.org/wiki/Voltage_multiplier

Παρακαλούμε Σύνδεση ή Δημιουργία λογαριασμού για να συμμετάσχετε στη συζήτηση.

Χρόνος δημιουργίας σελίδας: 0.549 δευτερόλεπτα
Powered by Kunena Φόρουμ